DIY一只名片大小的合成器,兜里的音乐工作室!

2022-05-17 03:42:16


刚刚出现电子音乐的时候,合成器还是超级大的机器,整箱整箱的电子设备堆叠起来能够放满一整间屋子。就像电脑一样, 而同样的,电子工业的发展也带动了合成器的迷你化,从一间房间的大小变成了和钢琴一样大,然后再变成电脑一样大,变成一台普通键盘那么大,变化成一个小盒子音源,连接在其他的键盘或电脑上使用,而最后,变成了一片单独的芯片集成在电脑里的一块电路板上,供我们编辑电子音乐时使用。现在甚至还出现了“软音源”这种利用软件合成的方式来形成音乐的方式。完全摆脱了硬件的制约。

那么,我们能不能利用现在手头飞速发展的科技的产物,去构建一台现代化的小型合成器呢?如果再加一个限定条件——可以弹奏?


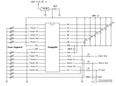
简·奥斯曼的设计就非常不错,他利用ATMega328作为主控芯片,制成了这台仅有名片大小的合成器。这台合成器使用单片机控制每个音调的起止时间、音色等等,并提供其他所有控制方面的事情。而六个电位器则用来控制所合成的音色的种种方面,你可以在这个视频里看到这个调整的过程。


程序方面,音频的生成和输出是靠查表法来获得应输出的电平包络值的,而调整音色则是通过调整查表输出的速度和大小,通过运算来改变音色的属性。对于键盘的读取则是采用电容触摸键的方式。当手指触碰到触摸位置的时候,电容值发生改变,通过单片机测量电容的变化从而确定哪个键被按下。(实际上,我在想如果精确一点的测量电容量的话,是不是也能测试出按键的长短)


电路图,注意左侧的电容

查表法是一种非常常用的合成方式,具体一点的话,频率合成设备也有一部分是采用查表法的方式来实现的。灵活,好玩!这个项目中有很多可以学到的地方,快在自己的项目中应用一下吧!

本文为 无线电杂志 微信公众平台原创文章。详细内容及高清大图请查阅《无线电》杂志。版权所有,欢迎个人转发至朋友圈。公众号、报刊等转载请给本公众号后台留言获得授权。

…………………………………………………




无线电杂志

微信号:radiomagazine
长按识别二维码关注我们



Copyright © 2023 All Rights Reserved 版权所有 洛阳宣传音乐虚拟社区